欢迎光临入喜工业控制技术(上海)有限公司
当前位置
首页 > 新闻中心 > 常见问题
西门子减少输入点的方法矩阵输入
2021/10/29 9:33:13
西门子减少输入点的方法矩阵输入

今天接触了一个200smart,输入点不够,采用的是3个输出点和部分输入点结合成矩阵输入,有大神给讲解一下吗,小弟查了网上信息,还有不明白的。

矩阵的做法:
就是按一点的时间间隔周期的输出,作为驱动输入的电源,然后捕捉这个周期中的有效位。
假设原输入为4个通道的数字量,假设创建2路的矩阵输出,那么,通过这样的组合,相当于“扩展出8路的”虚拟“输入。
矩阵的应用,应用于一般对瞬间捕捉要求不高的控制系统中。
至于具体的编程方法很多。
按系统时钟+字节循环作为输出,驱动输入;
定时中断驱动输出,驱动输入;
补充问题回复:
第三方plc
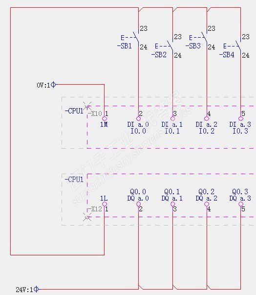
硬件接线参考图示:

图片说明:

    

所谓的矩形输出 是按照单片机的LED灯推理的,如果楼主看不明白,不妨换个思路去搜索下,单片机矩形排列

这样的吗?


图片说明:

  

联系方式
CONTACT US

电话:13818569113      15721373211

邮箱:fushidianji@139.com

网址:http://www.jiansujiabc.com

地址:上海青浦区北青公路7171号111-112室

用手机扫描二维码关闭